
COMP_XQ
斜楔
斜楔 / 斜栔
線性滑軌標準斜楔,機械加工精密定位零件
📥 產品型錄 / 規格書下載
產品介紹
產品說明
線性滑軌標準
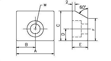
一、基本尺寸 UNIT:mm
TYPE A B C D E F M
T-0 15 7.5 15 6 8 10.96 φ4.5×φ8×4.5L
T-1 S 20 10 16 7 9.4 11.7 M6×P1.0 螺孔
T-1 20 10 16 7 9.4 11.7 φ5.5×φ9.5×5.4L
T-2 25 12.5 20 8 10.5 15.1 φ6.6×φ11×6.5L
T-3 30 15 24 9 13.6 17.3 φ9×φ14×8.6L
T-4 30 15 24 9 13.6 17.3 φ9×φ14×8.6L
N L C D E F M S
T2L3055 30 55 20 8 10.5 15.1 φ6.6×φ11×6.5L M8
T2L4065 40 65 20 8 10.5 15.1 φ6.6×φ11×6.5L M8
T2L6085 60 85 20 8 10.5 15.1 φ6.6×φ11×6.5L M8
T2L80105 80 105 20 8 10.5 15.1 φ6.6×φ11×6.5L M8
S:螺孔
推薦扭緊力矩 kgf-cm
M4 75
M5 90
M6 140
M8 310
軌道加工尺寸建議 UNIT:mm
TYPE A B C D E F M S SCREW 使用範例
#15 3 7.5 7 13.5 23.094 9.5 M4 T-0 M4
#20 3.5 10 9.5 17 27.216 11.4 M5 T-1 M5
#25 4 11.5 11 18.5 28.716 11.4 M5 T-1 M5
#30 5 14 13.5 21 31.216 11.4 M5 T-1 M5
#35 5 17 16.5 25 38.222 12.5 M6 T-2 M6
#45 7 22.5 22 30.5 43.722 12.5 M6 T-2 M6
#55 10 26.5 26 35.5 51.758 16.6 M8 T-3 M8
#65 10 31.5 31 40.5 56.758 16.6 M8 T-3 M8
規格
主要規格
| 項目 | 內容 |
|---|---|
| 型號 | COMP_XQ |
| 分類 | 斜楔 |
| 適用 | 線性滑軌標準斜楔,機械加工精密定位零件 |

