
COMP_PK
碰塊
碰塊 / 止檔塊
工具機專用精密碰塊
產品介紹
產品說明
碰 塊
減少您的庫存量,縮短您的備料期
降低您的成本,讓斜楔成為您的採購件
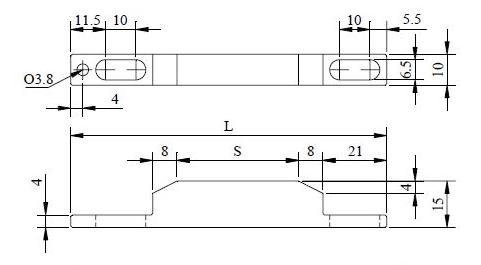
一、標準碰塊 (原點用)
11.5 10 10 5.5
6.5
Type S L O3.8
D-40 40 104 L
8 S 8 21
D-63 63 127
D-80 80 144
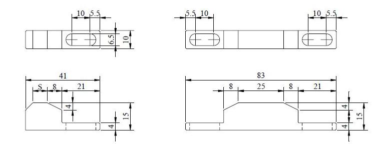
二、緊急碰塊 (緊急停止用)
10 5.5 5.5 10 10 5.5
TYPE S L 備註
6.5
E-25 25 83 41 83
S 8 21 8 25 8 21
E-08 8 41
三、使用說明:
本零件為自動控制之機械行程,位置距離控制使用,需配合微動開關作機械感應
材料為 S45C 中碳鋼,接觸表面無熱處理,染黑防銹處理
久洋機械股份有限公司
廠址:台中市潭子區栗林里民生街 197 號
TEL:(04)25370971 FAX:(04)25370984
規格
主要規格
| 項目 | 內容 |
|---|---|
| 型號 | COMP_PK |
| 分類 | 碰塊 |
| 適用 | 工具機專用精密碰塊 |
